ekey home finger print reader
Content
About
ekey home is the innovative finger scanner set for your private front door or your office door. The system combines simple installation and intuitive user management. Depending on the specific scope, the finger scanners are available in different hardware designs.
Feature Highlights
- Up to 99 different fingerprints can be stored
- User administration carried out directly on the control panel (no PC required)
- ekey home Set: Control panel with 1 relay output
- ekey home 3 Set: Control panel with 3 relay outputs: Up to 3 applications (e.g. index finger unlocks the front door, middle finger opens the garage door, ring finger arms/disarms the alarm system) can be managed via the relay outputs.
Link to website: http://www.ekey.net/
Tested Version
| 2N IP Intercom | home CV WIEG |
|---|---|
2.17.1.26.5 |
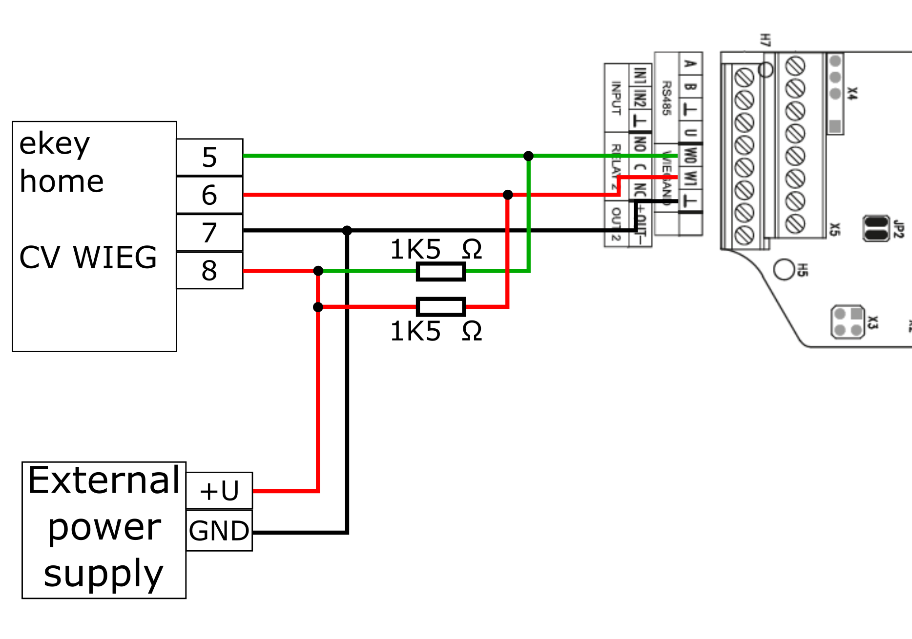
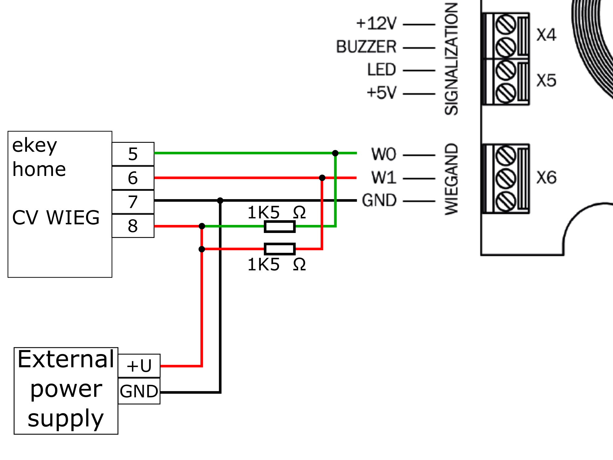
Connection to 2N IP Intercom
Configuration of 2N IP Intercom
Used Symbols
- Compatible
- Work with limitation
- Incompatible




