2.3 Hláska – COP
Popis
Uživatel nepřichází do přímého styku s tímto produktem. Ovládací a indikační prvky závisí na konkrétní instalaci. Funkce indikačních prvků odpovídá normám.
Obrázek: Hláska – COP
Upozornění – diody
Nouzový hovor
- Při sestavování spojení svítí žlutá dioda (požadavek přijat).
- Po potvrzení hovoru svítí zelená dioda (spojení potvrzeno).
- Po potvrzení hovoru může začít blikat žlutá dioda (právě se stahuje obrázek z kamera modulu).
Upgrade
- Hláska se nejprve inicializuje – svítí žlutá a zelená dioda (požadavek přijat a spojení potvrzeno), na zadní straně svítí červená dioda.
- Pokud právě probíhá upgrade hlásky, bliká žlutá a zelená dioda. Červená dioda na zadní straně hlásky trvale svítí.
- Po upgradu na hlásce nesvítí žádná dioda a je připravena k použití.
Než začnete
Podmínky instalace
- Panel musí být připraven pro instalaci, minimálně zde musí být perforace pro reproduktor.
- Panel musí být vybaven předepsanými prvky:
- tlačítko ALARM;
- prosvětlený piktogram „požadavek přijat";
- prosvětlený piktogram „spojení navázáno".
- Umístění všech těchto prvků musí odpovídat předpisům.
- Za panelem musí být volný prostor min. 65 x 130 x 20 mm.
Kontrola balení výrobku
Než začnete s instalací, zkontrolujte, zda je balení výrobku kompletní:
Hláska pro kabinu – obsahuje (sestaveno):
- 1 desku elektroniky,
- 4 svorky nasunuté na desce, viz foto,
- 1 propojka nasunutá na desce, viz potisk na krytu,
- 1 montážní panel,
- 1 reproduktor připojený přímo nebo kabelem,
- 1 mikrofon připojený přímo nebo kabelem,
- 1 kryt s potiskem,
- 5 stahovacích pásků.
Montáž
Montáž elektroniky
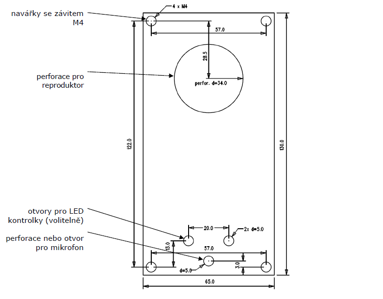
Tato hláska je určena pro montáž za ovládací panel výtahu. Panel je obvykle připraven pro instalaci podle tohoto výkresu:
Obrázek: Rozměry montážních otvorů pro Hlásku – COP
K montáži jsou zapotřebí (z vnitřní strany panelu) 4 elektricky navařené (nabodované) šrouby M3 nebo M4 a dostatečně perforovaná plocha pro reproduktor a otvor pro mikrofon. Nouzově lze hlásku instalovat také kvalitní oboustrannou pěnovou samolepicí páskou na perfektně odmaštěný povrch.
Varování
- Mezi ovládacím panelem výtahu a povrchem hlásky nesmí být žádná mezera, aby nedocházelo k akustickému zkratu reproduktoru a k akustické vazbě mezi reproduktorem a mikrofonem.
- Není povoleno používat tento typ hlásky jinak, než namontovaný na dostatečně velké desce. Akustické vlastnosti nenainstalované hlásky nelze zaručit.
Oddělená montáž mikrofonu
Pokud je mikrofon dodán odděleně na destičce 25 x 25 mm se samolepicí folií a je vybaven kabelem, je možná jeho montáž za libovolný otvor v tablu (minimální průměr otvoru je 5 mm, nebo skupina menších otvorů o stejné celkové ploše). Mikrofon se přilepí (zezadu) přímo na požadované místo (povrch je třeba předem zbavit prachu a mastnoty!).
Požadavky
- Minimální vzdálenost mezi středy reproduktoru a mikrofonu je 90 mm. Při menší vzdálenosti by mohlo docházet k akustické vazbě. Větší vzdálenost (v dosahu dodávaného 1m kabelu) naopak není na závadu.
- Mikrofon musí být přilepen tak, aby nesnímal (ani částečně!) akustický tlak z prostoru za ovládacím panelem. Docházelo by tak k akustické vazbě s reproduktorem, který do této dutiny silně vyzařuje zvuk.
Oddělená montáž reproduktoru
Reproduktor je vybaven kabelem, lze jej oddělit od elektroniky (prostě vysunout) v dosahu dodaných vodičů (1 m). Tato možnost je určena pro případy, kdy je nutné reproduktor instalovat v místě, kde není prostor pro celou elektroniku. Při uchycení reproduktoru dodržte následující pokyny:
- pokud budete reproduktor lepit, zajistěte takový postup nebo druh lepidla, aby nedošlo k poškození membrány lepidlem a těkavými látkami, případně teplem.
- doporučujeme ponechat na reproduktoru těsnění, zabraňuje vibracím a slouží jako elektrická izolace.
Často kladené otázky k reproduktoru:
- Je možné použít společný reproduktor pro komunikátor a hlásič pater?
Ne, to možné není.
- Mohu použít vlastní reproduktor?
Ano, o impedanci 64 Ω. Přebíráte tím ale odpovědnost za dostatečnou hlasitost a kmitočtový rozsah.
- Mohu umístit reproduktor na strop kabiny?
Toto umístění nedoporučujeme.
- Mohu použít k reproduktoru delší kabel?
K reproduktoru ano, ale u mikrofonu to nedoporučujeme.
Elektrická instalace
Popis svorek, konektorů a propojek
Obrázek: Svorky, konektory a propojky na desce Hlásky – COP
Svorky | Konektory | ||||||||
|---|---|---|---|---|---|---|---|---|---|
1 | sběrnice audio jednotek (Audio unit bus) | 7 | LED „spojení navázáno" | ||||||
2 | ALARM, aktivace napětím | 8 | LED „požadavek přijat" | ||||||
3 | ALARM, aktivace kontaktem | 9 | konektor mikrofonu (volitelně) | ||||||
4 | CANCEL, aktivace napětím | 10 | konektor indukční smyčky | ||||||
5 | CANCEL, aktivace kontaktem | 11 | konektor reproduktoru | ||||||
6 | ALARM 2 (sada 2) | 13 | servisní konektor | ||||||
Konfigurační propojky | Dvě LED kontrolky (z druhé strany) | ||||||||
12 | pozice hlásky | 1. (žlutá) | Požadavek přijat | ||||||
12 | negace vstupů ALARM a CANCEL | 2. (zelená) | Spojení potvrzeno | ||||||
Poznámka
- Připojí-li se externí LED ke konektorům 7 a 8, indikační LED č. 1 a 2 nebudou svítit.
Nastavení umístění hlásky
Hláska je z výroby nastavena jako kabinová, a proto není potřeba měnit nastavení.
Pokud chcete danou hlásku použít jinde než v kabině, postupujte následovně:
Postup
- Přenastavte jumper na konfigurační propojce 12.
- Pokud je špatný přístup k pinům, je možné sundat kryt elektroniky. Povolte mírně čtveřici šroubků a kryt posuňte směrem dolů. Nyní můžete sundat kryt.
První 4 piny na propojce 12 slouží pro nastavení umístění hlásky.
- Nastavte požadované změny podle potisku na krytu elektroniky.
zapojení jumperů Umístění Zapojení Jumperů Umístění hlásky Střecha kabiny 1 Střecha kabiny 2 Uvnitř kabiny 1 Uvnitř kabiny 2 Pod kabinou 1 Pod kabinou 2 Dno šachty - Pokud jste sundali kryt, vraťte ho do původní polohy a šroubky utáhněte.
Obrázek: Svorky Hlásky COP – univerzál
Upozornění
- Do jedné šachty lze zapojit maximálně 8 hlásek včetně hlásky Fireman a kamera modulu. K Centrálním jednotkám starší výroby je možné připojit pouze 5 hlásek, viz 4. Funkce a užití.
- Od verze 2.0.0 lze nastavit až 7 typů umístění hlásek pro dvoukabinové výtahy:
- Střecha kabiny 1
- Uvnitř kabiny 1
- Pod kabinu 1
- Dno šachty
- Střecha kabiny 2
- Uvnitř kabiny 2
- Pod kabinu 2
- Od verze 2.9.0 lze připojit až 2 hlásky Fireman do jedné šachty.
Poznámky
- Dbejte na to, aby dvě hlásky neměly nastaveno stejné umístění – jinak systém hlásí chybu.
- Propojky pro nastavení umístění se používají jen výjimečně, například pokud příslušný typ hlásky použijete v jiném umístění, než pro které je normálně určen.
- Původní nastavení umístění hlásky snadno obnovíte podle vyobrazení na krytu.
Připojení na sběrnici
Svorku vytáhněte z konektoru č. 1 „sběrnice audio jednotek“, připojte vodiče sběrnice pro audio jednotky a svorku nasaďte zpět do konektoru. Musí se dodržet polarita.
Varování
- Hláska je výhradně určena k připojení na sběrnici „Audio unit bus“ systému 2N Lift8. Připojení hlásky na jiné vodiče může vést k jejímu poškození nebo zničení.
- Dodržet polaritu při připojování hlásky, jinak hláska nebude fungovat.
Upozornění
- Hláska je napájena prostřednictvím 2-drátové sběrnice. Odpojením těchto vodičů způsobí vypnutí hlásky
- Pozor na duplicitní nastavení umístění hlásek.
Zapojení tlačítka ALARM
Požadavky
- Tlačítko ALARM musí svým provedením (barva, piktogram, plocha hmatníku, mechanický chod) a umístěním splňovat požadavky, platné pro danou instalaci.
Ovládání tlačítkem
Požadavky
- Tlačítko ALARM musí mít spínací nebo rozpínací kontakt, který není spojen se žádnými dalšími obvody.
- Žádný z vývodů tlačítka nesmí být galvanicky spojen s žádným jiným elektrickým obvodem, na svorky ALARM nesmí být připojeno žádné napětí – pouze kontakt.
- Má-li tlačítko ALARM více kontaktů a jiný kontakt je zapojen do jiného obvodu, musí být zajištěna odpovídající izolační pevnost mezi kontakty odpovídající platným normám.
Postup
- Svorku ALARM ponechejte ve spodní pozici (3).
- Pokud použijete spínací kontakt, nechte propojku, jak je (5. pin na propojce 12) – ALARM bez osazení jumperem (toto nastavení je provedeno z výroby).
- Pokud použijete rozpínací kontakt, nasaďte propojku (5. pin na propojce 12) – ALARM inverted – osazen jumperem.
Ovládání napětím
Požadavky
- stejnosměrné napětí v rozsahu 12 až 48 V.
- Napěťový signál musí být funkční i při výpadku napájení.
Postup
- Svorku ALARM přehoďte o dva kolíky nahoru do pozice (2).
- Pro aktivaci připojením napětí, nechte propojku jak je (5. pin na propojce 12) – ALARM bez osazení jumperem. (toto nastavení je provedeno z výroby).
- Pro aktivaci odpojením napětí, nasaďte propojku (5. pin na propojce 12) – ALARM inverted – osazen jumperem.
Varování
- Nedodržením těchto pokynů může dojít k poškození výrobku.
Upozornění
- Tlačítko ALARM 2 má pouze spínací kontakt.
- Na tlačítko ALARM 2 se nevztahuje zpožděné volání (914) a doba stisku tlačítka ALARM 1 (962)
- Krátkým stiskem (100 ms) je vyvolán hovor na druhou sad čísel (021–026). Pokud je druhá sada čísel prázdná, hovor je sestaven na první sadu (011–016).
- Dlouhým stiskem (3000 ms) je zrušen proces vyproštění, pokud je nastaven parametr 966.
Tip
- Zde je příklad zapojení alarmového tlačítka se sirénou:
Zapojení vstupu CANCEL (kontakt dveří, nepovinné)
Tento vstup umožňuje stornovat požadavek na vyproštění, pokud je výtah plně funkční. Po stisku tlačítka ALARM systém čeká po nastavenou dobu, která je mírně delší než maximální doba jízdy výtahu. Je-li výtah funkční, musí během této doby dojet do nastavené stanice a otevřít dveře. V takovém případě se požadavek stornuje. Pokud se dveře neotevřou, požadavek se přijme.
Před instalací zjistěte, zda je v kabině výtahu k dispozici signál o otevření dveří.
Požadavky
- má-li výtah dvojité dveře, signál musí být aktivní, pouze pokud jsou otevřeny obojí dveře, tj. je-li skutečně možné opustit kabinu.
- signál o poloze dveří musí fungovat i v případě výpadku napájení.
Ovládání kontaktem
Požadavky
- Žádný z vývodů kontaktu nesmí být galvanicky spojen s žádným jiným elektrickým obvodem, na svorky CANCEL nesmí být připojeno žádné napětí – pouze kontakt.
Postup
- Svorku CANCEL ponechejte ve spodní pozici (5).
- Pokud použijete spínací kontakt, nechte propojku, jak je (6. pin na propojce 12) – CANCEL bez osazení jumperem (toto nastavení je provedeno z výroby).
- Pokud použijete rozpínací kontakt, nasaďte propojku (6. pin na propojce 12) – CANCEL inverted – osazen jumperem.
Ovládání napětím
Požadavky
- Stejnosměrné napětí v rozsahu 12 až 48 V.
Postup
- Svorku CANCEL přehoďte o dva kolíky nahoru do pozice (4).
- Pro aktivaci připojením napětí, nechte propojku, jak je (6. pin na propojce 12) – CANCEL bez osazení jumperem (toto nastavení je provedeno z výroby).
- Pro aktivaci odpojením napětí, nasaďte propojku (6. pin na propojce 12) – CANCEL inverted – osazen jumperem.
Varování
- Nedodržením těchto pokynů může dojít k poškození výrobku.
- Funkce CANCEL funguje, pouze pokud je hláska kabina nastavena v pozici kabina (výchozí nastavení hlásky).
Poznámka
- Aby mělo připojení vstupu CANCEL smysl, musí být naprogramováno zpožděné volání.
- Nastavení ALARMU a CANCELU je vyobrazeno na krytu elektroniky.
Zapojení indikačních prvků (LED)
Současné technologie výroby LED diod umožňují i s malým proudem dosáhnout relativně dobré intenzity světla. Pakliže jsou indikační prvky výtahu prosvětlené dostatečně účinnou LED diodou, které postačí proud cca 5 mA (při úbytku na diodě cca 2 V), lze se obejít bez zdroje. Zapojení v tomto případě odpovídá následujícímu obr.:
Obrázek: Alternativní zapojení indikačních prvků pro Hlásku – COP
Poznámky
- Kabely pro toto zapojení nejsou běžně součástí dodávky, pouze po předchozí dohodě.
- Při použití tohoto zapojení nesvítí pomocné kontrolky na plošném spoji.
Externí piktogramy
Popis
Spínač (budič) externích piktogramů slouží k převodu signálů pro ovládání dvou LED z jednotky 2N Lift8 hláska COP na ovládání signalizačních světel s vyšší spotřebou. Jeho výstupy jsou schopné spínat dvě žárovky s max. hodnotami 36 V, 0,5 A. Výkonový spínač je schopen spínat jak stejnosměrné, tak střídavé napětí pro žárovky. Výstupy převodníku jsou galvanicky izolovány od obvodů kabiny. Pro ochranu obvodů před zkratem s jinými vodivými předměty spínač vždy před instalací vložte do přiložené izolační trubičky!
Schéma
Upozornění
Externí piktogramy se připojují do konektorů 7 a 8 na hlásce kabiny.
Výrobce, 2N TELEKOMUNIKACE a.s., tímto prohlašuje, že zařízení 2N Lift8 Externí Piktogram je ve shodě se základními požadavky a dalšími příslušnými ustanoveními 1999/5/ES směrnice. Prohlášení o shodě je přiloženo k základnímu modulu 2N Lift8 a také na www.2n.cz.
Nastavení hlasitosti
Povolte mírně čtveřici šroubků a kryt posuňte směrem dolu. Nyní můžete sundat kryt. Pomocí trimru, který se nachází na spodní části elektroniky, nastavte požadovanou hlasitost (viz obr.).
Upozornění
- Pomocí tohoto trimru nastavte co nejlepší akustické vlastnosti, ale zároveň tak, aby nedocházelo ke zpětné vazbě.
Připojení indukční smyčky
Při instalaci komunikátoru je nutné se řídit aktuálními předpisy, které mohou stanovit instalaci smyčky pro nedoslýchavé jako povinnou součást komunikátoru v kabině výtahu. Smyčka se připojuje ke konektoru (10) s libovolnou polaritou. Po dohodě může být součástí dodávky, včetně kabelu o délce 1 m.
Požadavky
- Indukční smyčka musí být umístěna za nekovový, nemagnetický krycí prvek v ovládacím panelu, protože kovovým ovládacím panelem výtahu magnetické pole indukční smyčky neprochází.
- Indukční smyčka musí být označena příslušným piktogramem (ucho) a její umístění musí odpovídat platným normám.
Proces vyproštění
- Tento proces se aktivuje po skončení nouzového volání.
- Na hlásce zůstane svítit žlutá LED.
- Servisní technik tento proces ukončí zadáním hesla v hlasovém menu Lift8.
- Po zadání záchranného hesla v hlasovém menu zhasne žlutá LED na hlásce a je přehráno hlášení "Proces vyproštění byl ukončen".
Upozornění
- Ukončení procesu vyproštění se provádí v hlasovém menu (během příchozího volání na L8 nebo při vstupu do hlasového menu přes strojovnu). Vstupte do menu pro administraci (9), pro ukončení procesu vyproštění stiskněte (2). Nyní zadejte číslo šachty (pouze pokud je současně více hlásek v režimu vyproštění) a zadejte heslo pro ukončení procesu vyproštění.
Varování
- Pro aktivaci této funkce je nutné nastavit záchranné heslo (parametr 992).
- Proces vyproštění se aktivuje pouze na hlásce typu kabina, která je nastavená na pozici kabina (výchozí nastavení hlásky).
















